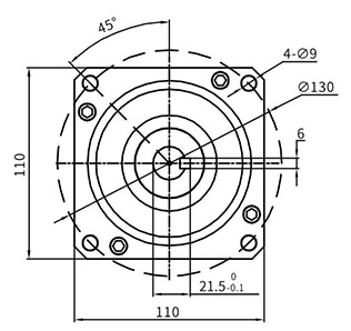
| 电机型号 | L(mm) | L2(mm) |
| 110WD-M020XX-XXV | 144.5 | |
| 110WD-M040XX-XXV | 169 | 199 |
| 110WD-M060XX-XXV | 199 | 229 |
| 110WD-M020XXB-XXV | 227 | |
| 110WD-M040XXB-XXV | 251.5 | |
| 110WD-M060XXB-XXV | 281.5 |

| DC24V | DC48V | |||||||
| 电机型号 | 110WD-M02030-24V | 110WD-M04030-24V | 110WD-M06020-24V | 110WD-M09015-24V | 110WD-口02030-48V | 110WD-口04030-48V | 110WD-口06030-48V | 110WD-口09025-48V |
| 额定功率(KW) | 0.6 | 1.2 | 1.2 | 1.4 | 0.6 | 1.2 | 1.8 | 2.4 |
| 额定电流(A) | 31.3 | 62.5 | 62.5 | 72.9 | 14.7 | 29.4 | 44.1 | 58.8 |
| 额定转速(rpm) | 3000 | 3000 | 2000 | 1500 | 3000 | 3000 | 3000 | 2500 |
| 转速高至(rpm) | 3600 | 3600 | 2400 | 1800 | 3600 | 3600 | 3600 | 3000 |
| 额定扭矩(Nm) | 2 | 4 | 6 | 9 | 2 | 4 | 6 | 9 |
| 峰值扭矩(Nm) | 6 | 12 | 18 | 27 | 6 | 12 | 18 | 27 |
| 转子惯量(kg.cm2) | 3.1 | 5.4 | 7.6 | 10.8 | 3.1 | 5.4 | 7.6 | 10.8 |
| 机械时间常数(ms) | 15.4 | 19.2 | 23.0 | 28.8 | 13.4 | 16.8 | 20.2 | 25.2 |
| DC72V | ||||
| 电机型号 | 110WD-M02030-72V | 110WD-M04030-72V | 110WD-M06030-72V | 110WD-M09030-72V |
| 额定功率(KW) | 0.6 | 1.2 | 1.8 | 2.7 |
| 额定电流(A) | 9.8 | 19.6 | 29.4 | 44.1 |
| 额定转速(rpm) | 3000 | 3000 | 2000 | 1500 |
| 转速高至(rpm) | 3600 | 3600 | 2400 | 1800 |
| 额定扭矩(Nm) | 2 | 4 | 6 | 9 |
| 峰值扭矩(Nm) | 6 | 12 | 18 | 27 |
| 转子惯量(kg.cm2) | 3.1 | 5.4 | 7.6 | 10.8 |
| 机械时间常数(ms) | 9.6 | 12.0 | 14.4 | 18.0 |
注:电机接口、电压、转速可按客户要求定制

| 代号说明 | ||
| ① | 机座号、电机外径 | 单位:mm |
| ② | 电机类型 | WD表示电机为直流无刷电机 |
| ③ | 反馈元件规格 | M表示有霍尔传感器/N表示无霍尔传感器 |
| ④ | 额定转矩 | 表示电机额定转矩,其值为三位X0.1单位Nm |
| ⑤ | 额定转速 | 表示电机额定转速,其值为两位X100单位rpm |
| ⑥ | 失电制动器代号 | B表示带失电制动器,缺省表示不带失电制动器 |
| ⑦ | 电压等级 | 表示电机额定电压,包括DC24V、DC48V、DC72V、DC96V、DC310V等 |
| ⑧ | 定制特征 | 客户定制代号 |
服务热线
微信扫一扫