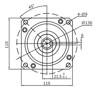
| 电机型号 | L(mm) | 电机型号 | L(mm) |
| 110ST-□020XX | 164.5 | 110ST-□020XXB | 217 |
| 110ST-□040XX | 189 | 110ST-□040XXB | 241.5 |
| 110ST-□060XX | 219 | 110ST-口060XXB | 271.5 |
| 110ST-口090XX | 249 | 110ST-O 090XXB | 301.5 |
注:电机接口、电压、转速可按客户要求定制


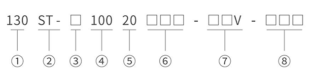
| 代号说明 | ||
| ① | 机座号、电机外径 | 单位:mm |
| ② | 伺服电机形式 | ST表示电机为正弦波驱动的永磁同步电机 |
| ③ | 反馈元件规格 | M表示增量型编码器(2500C/T),J表示绝对值型高精度编码器,X表示1对极旋转变压器 |
| ④ | 额定转矩 | 表示电机额定转矩,其值为三位X0.1单位Nm |
| ⑤ | 额定转速 | 表示电机额定转速,其值为两位X100单位rpm |
| ⑥ | 失电制动器代号 | F表示电机结构为防水型(玻璃机械专用),缺省表示普通型 B表示带失电制动器,缺省表示不带失电制动器 Y表示接线型,缺省表示普通型 |
| ⑦ | 电压等级 | 表示电机额定电压,包括DC24V、DC48V、DC72V、DC96V、AC380V,缺省表示AC220V |
| ⑧ | 定制特征 | 客户定制代号 |
服务热线
微信扫一扫